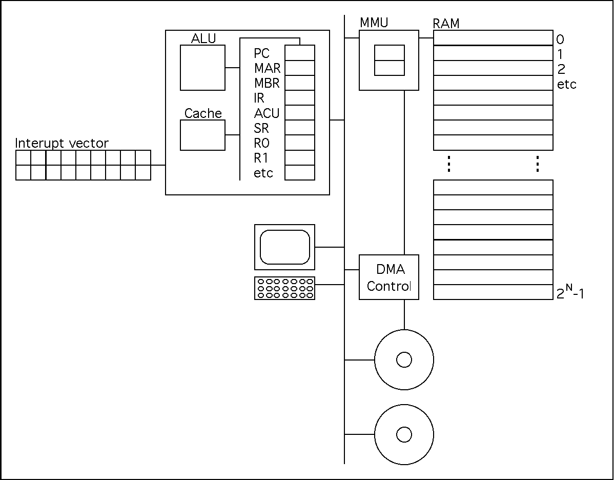
van Nuemann Architecture

Last modified Wednesday, 25-Aug-2004 17:55:02 UTC.